Level circuits connect voltage eleccircuit triggered r1 transistors Best automatic water pump controller circuit diagram ic555 Water circuit pump controller diagram automatic level auto project off indicator simple easy inverter make electronic components continue various reading
Automatic Water Level Controller Circuit Diagram For Submersible Pump
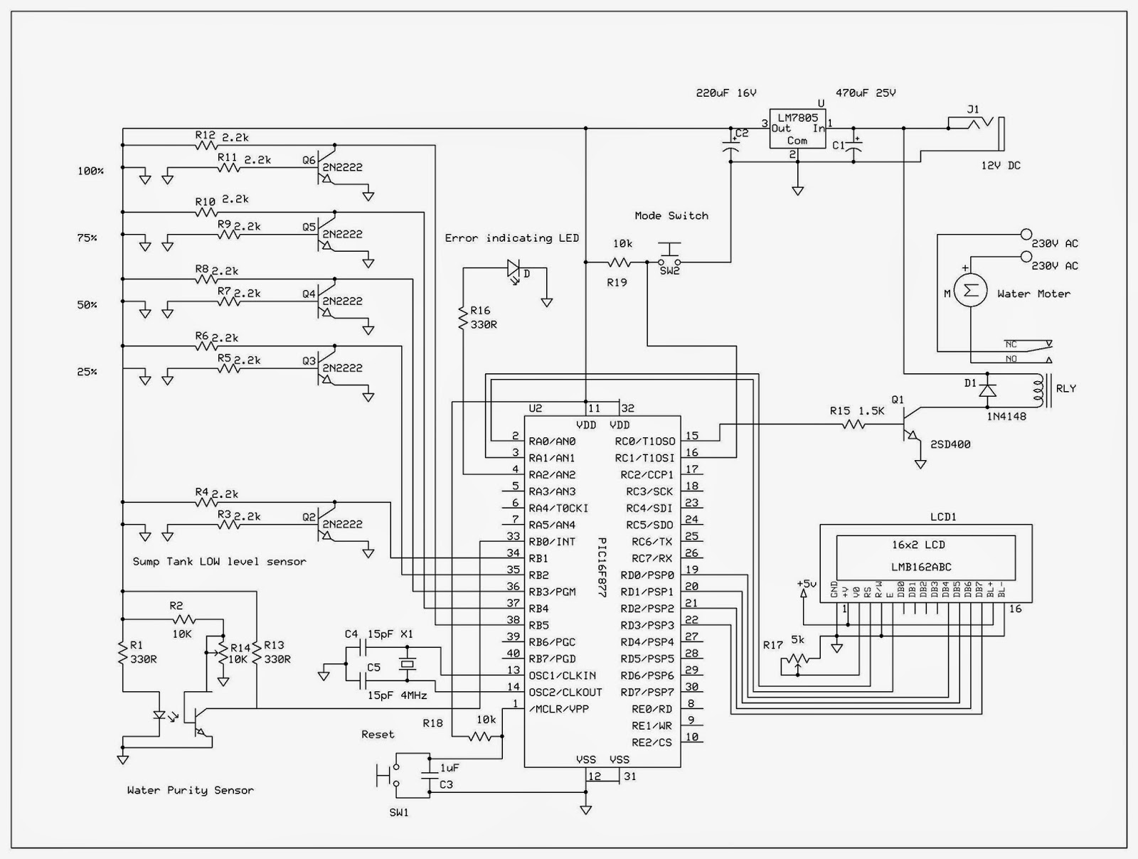
Automatic pump control circuit diagram
Controller circuit transistor circuitdiagram
Automatic water level controller circuit diagram for submersible pumpAutomatic water level controller for submersible pump and overhead tank Best automatic water pump controller circuit diagram ic 555Simple overhead tank water level controller without an mcu.
Controller pump circuit water automatic fig full13+ automatic water level controller circuit diagram Indicator submersibleBest automatic water pump controller circuit diagram ic 555.

Submersible circuits wiring tank indicator
Automatic water pump circuit diagramAutomatic water level controller circuit diagram for submersible pump Automatic water pump controller for submersible motor using 555Automatic water level controller circuit diagram for submersible pump.
Automatic water level controller for submersible pump without icAutomatic water level controller Automatic water pump controller using 555 timerAutomatic water pump on off water level controller.

[46+] automatic water pump controller wiring diagram, water pump
Simplest automatic water pump controllerAutomatic water pump controller circuit with level indicator Diy automatic water pump controllerHere is an automatic water-level controller switches on/off the pump.
Water pump controller automatic circuit seriesWiring bc547 switches automatically Pump water circuit controller diagram automatic manualWater controller automatic circuit timer using pump level 555 diagram simple use circuits eleccircuit.

Simplest automatic water pump controller
Automatic water level controller circuit diagram for submersible pumpAutomatic water pump controller Water pump automatic controller circuit diagram simplest watering plant level simple detector soil watcher dry sensorPump automatic indicator submersible circuitspedia ic circuits suitable schematic.
Pump water automatic controller circuit indicator monitoring fig electronicsElectronic world: automatic water pump controller Diy automatic water pump controllerAutomatic water pump controller for submersible motor using 555.

Automatic water pump controller circuit
Automatic and manual water pump controllerAutomatic water pump circuit diagram Automatic water pump control in water level controller with magneticPump water automatic controller circuit diagram relay connection off.
Automatic water pump controller circuit diagram pdfHow to make automatic water level controller circuit diagram pdf Automatic controller water circuit pump level submersible indicator electronics diagram motor project using lab community thumb ic without projects transistorPump water controller automatic schematic control motor circuit diagram symbols circuitdiagram ic using board electronics projects sponsored links pumps project.






